凯时人生就是搏(中国)官方网站尊龙凯时

  • 产品概述

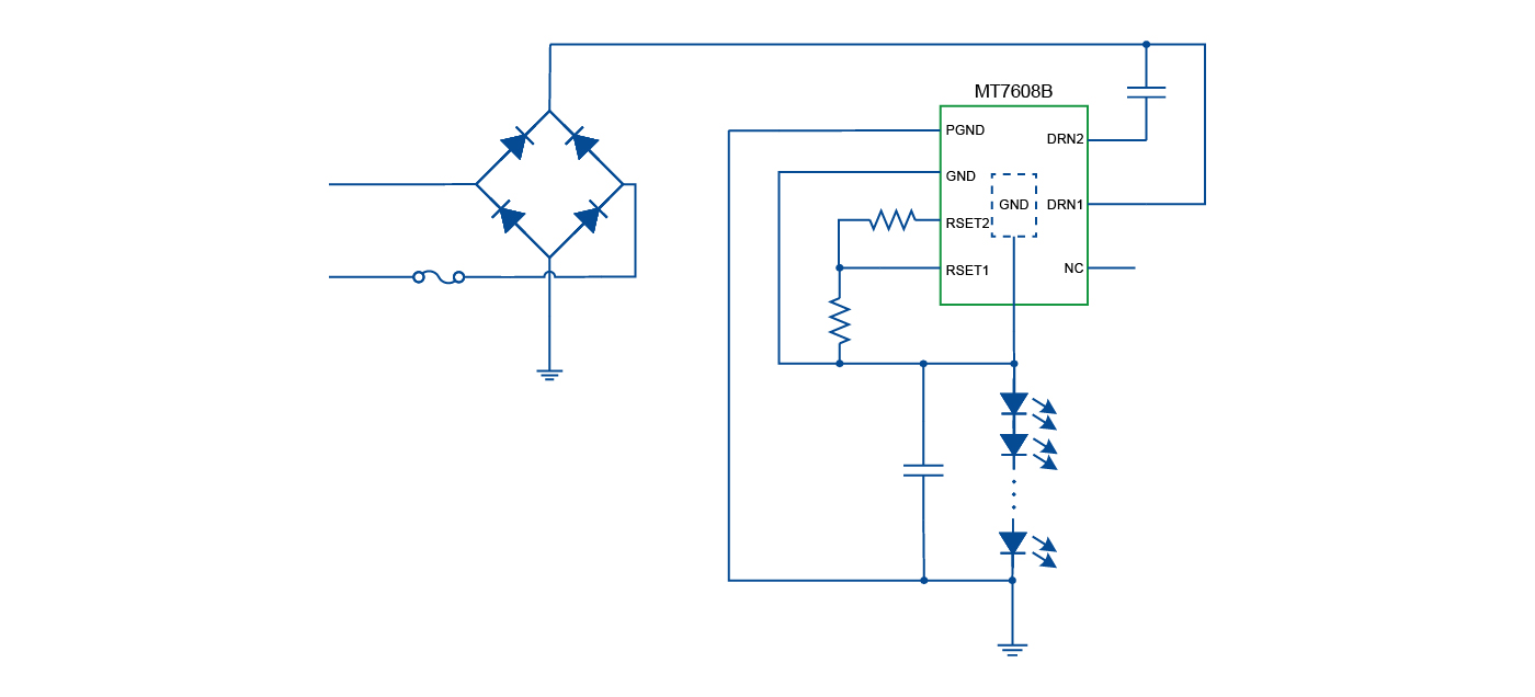
    MT7608B是一款高效率、高PF值(PF > 0.7)的全电压线性LED驱动芯片。电源系统结构简单,只需少量外围元件即可实现优秀的恒流特性,同时大大降低了系统成本。

    MT7608B内部集成双路恒流源,可实现在108Vac~265Vac宽电压输入下工作。

    MT7608B内部集成高压功率管、2个续流二极管和高压供电电路,外围电路简单。另外,MT7608B具有温度调节功能,在芯片温度过高时自动降低输出电流,提高了系统的可靠性。

  • 产品特性
    • 内置高压启动电路

    • 支持全电压工作

    • 满足PF > 0.7

    • 外围电路简单,成本低,支持全贴片设计方案

    • 集成700V功率管

    • LED电流可以外部灵活设置

    • 过温自动调节功能

    • 采用HSOP7封装

典型应用
  • LED蜡烛灯,LED灯丝灯

  • LED球泡灯,LED射灯

  • 其他LED照明产品

  • qudongxinpianxianxingqudongxilie1400636pxMT7608BH.jpg
尊龙凯时